欢迎您!

您好,欢迎进入北京必一运动科仪分析仪器有限公司网站!
全国服务热线:13161406760
北京必一运动科仪分析仪器有限公司
您现在的位置:首页 > 产品中心 > 便携式检测仪器 > 传感器系列 > HG03-TJL-1S型拉压传感器 高精度拉压传感仪 力值控制测量仪

S型拉压传感器 高精度拉压传感仪 力值控制测量仪

  • 简单描述
  • 适用于配料秤、机电结合称、吊钩秤及其它力值的测量与控制。
  • 产品型号:  HG03-TJL-1
  • 更新时间:  2024-11-28
  • 访问次数:  3242
详细介绍

S型拉压传感器 高精度拉压传感器  力值控制测量仪  

型号:HG03-TJL-1

用途与特点

  承受拉、压力均可,输出对称性好。精度高、结构紧凑,规格齐全。

  适用于配料秤、机电结合称、吊钩秤及其它力值的测量与控制。

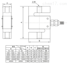
量程、规格

5,10,20,30,100,200,300,500kg,

1,2,3,5,10,15,20t

额定载荷 5-20000kg

综合精度 0.02(线性+滞后+重复性)

灵敏度 2.0 mV/V

蠕变 ±0.02 %F·S/30min

零点输出 ±1 %F·S

零点温度影响 ±0.02 %F·S/10℃

输出温度影响 ±0.02 %F·S/10℃

工作温度 -20℃~+65℃

输入阻抗 380±10 Ω

输出阻抗 350±3 Ω

绝缘电阻 >5000 MΩ

安全过载 150% F·S

供桥电压 建议10VDC

材质 合金钢或不锈钢

接线方式

输入(+):红线  

输入(-):黑线

输出(+):绿线  

输出(-):白线

 

北京必一运动科仪分析仪器有限公司

地址:2号楼

:李

 

https://

 


留言框

  • 产品:

  • 您的单位:

  • 您的姓名:

  • 联系电话:

  • 常用邮箱:

  • 省份:

  • 详细地址:

  • 补充说明:

  • 验证码:

    请输入计算结果(填写阿拉伯数字),如:三加四=7
Contact Us
  • 联系66666666
  • 联系邮箱:88888888
  • 传真:88888888
  • 联系地址:

扫一扫  微信咨询

©2025 版权所有 北京必一运动科仪分析仪器有限公司  备案号:****-2  技术支持:化工仪器网    sitemap.xml    总访问量:689359 管理登陆